2021-11-25
杭州宝力体育设施工程有限公司承建的浙江工业大学屏风校区网球场改造工程,三片网球场均顺利通过国际网联ITF二星认证。








国际网联ITF专家认证现场
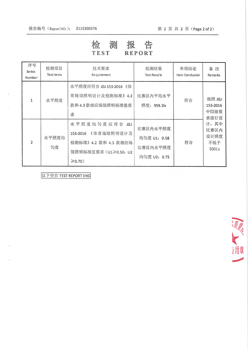
场地照明检测报告




同类新闻
News最新新闻
News联系我们
Contact us